橢圓齒輪流量計安裝尺寸及使用
點擊次數:3875 發布時間:2021-03-16 08:25:17
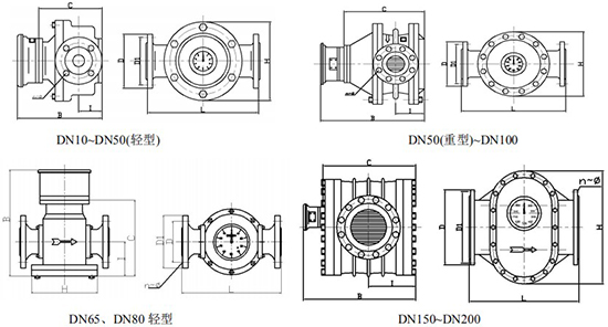
橢圓齒輪流量計外形尺寸
8.1 鑄鐵型橢圓齒輪流量計外形尺寸
型號:LC—A、LC—NA


8.2 鑄鋼型外形尺寸
型號:LC—E、LC—NE、 (外形同上)

*DN10/DN50(輕型)/DN65/DN80(輕型)法蘭尺寸為 1.6MPa 標準;其余口徑為 6.4MPa 標準;
8.3 LC—B 型不銹鋼橢圓齒輪流量計外形尺寸(單位:mm)

*高溫型橢圓齒輪流量計外形尺寸:DN15~DN50(輕型),B 尺寸按上表數據加 100mm 熱延伸管;DN50 (重型)~DN200,B 尺寸按上表尺寸加160mm 熱延伸管,其余尺寸同上表相應尺寸。
橢圓齒輪流量計的安裝使用
9.1 流量計前應安裝配套過濾器,且配套過濾器的出口緊接流量計的入口,兩者本體上箭頭指向 與液體流向一致。
9.2 當被測液體含有氣體時,流量計前應安裝消氣過濾器。
9.3 不論管路是垂直還是水平安裝,但流量計中的橢圓齒輪應安裝成水平位置(即表度盤應與地 面垂直)。
9.4 流量計在正確安裝情況下,如果不易看清讀數,可把計數器轉向 180 度或 90 度均可。
9.5 新流量計在安裝前先用竹棍從出口處把橢圓齒輪推幾次,如發現不動,可以用柴油浸泡(避免 出廠校驗后內存沉淀物)。
9.6 流量控制閥應安裝在流量計進口處,開閉閥門裝在出口處,使用開閉閥時緩慢啟動,不要突 然開啟以防“水擊”現象。
9.7 在新管道上安裝流量計前,管道需要沖洗,沖洗時采用直管段(替代流量計位置)防止焊渣, 雜物等進入流量計。
9.8 嚴禁用水校驗鑄鐵、鑄鋼材質的流量計。
9.9 流量計在使用時流量大小不得超過技術要求.流量計工作在*大流量 50—80%為優。
9.0 被測液體如果具有化學腐蝕性,須選用不銹鋼材質的流量計。
上一篇:橢圓齒輪流量計的選型
下一篇:測油流量計的選購事項


