
螺紋式液體渦輪流量計
- 品*:JKM/凱銘儀表
- 型號:JKM-LWGY
- 測量范圍:0.04~800m3/h
- 精度等級:0.5級、1.0級
- 公稱通徑:DN4~DN200
- 適用介質:水 油 醇 純凈液體
- 工作壓力:1.6~6.3MPa
- 工作溫度:-20~+100℃
- 供電方式:24VDC 3.6V鋰電池
- 訂貨號:DLHUCQGJK466
螺紋式液體渦輪流量計產品概述
LWGY系列渦輪流量計(以下簡稱傳感器)基于力矩平衡原理,屬于速度式流量儀表。傳感器具有結構簡單、輕巧、精度高、重復性好、反應靈敏,安裝維護使用方便等特點,廣泛用于石油、化工、冶金、供水、造紙等行業,是流量計量和節能的理想儀表。
渦輪流量計與顯示儀表配套使用,適用于測量封閉管道中與不銹鋼1Cr18Ni9Ti、2Cr13及剛玉Al2O3、硬質合金不起腐蝕作用,且無纖維、顆粒等雜質的液體。若與具有特殊功能的顯示儀表配套,還可以進行定量控制、超量報警等。選用本產品的防爆型式(ExmIIT6),可在有爆炸危險的環境中使用。
渦輪流量計適用于在工作溫度下粘度小于5×10-6m2/s的介質,對于粘度大于5×10-6m2/s的液體,要對傳感器進行實液標定后使用。
如用戶需用特殊形式的渦輪流量計,可協商訂貨,需防爆型傳感器時,在訂貨中加以說明。
螺紋式液體渦輪流量計工作原理
渦輪流量計采用渦輪進行測量。它先將流速轉換為渦輪的轉速,再將轉速轉換成與流量成正比的電信號。這種流量計用于檢測瞬時流量和總的積算流量,其輸出信號為頻率,易于數字化。
圖中感應線圈和永久磁鐵一起固定在殼體上。當鐵磁性渦輪葉片經過磁鐵時,磁路的磁阻發生變化,從而產生感應信號。信號經放大器放大和整形,送到計數器或頻率計,顯示總的積算流量。同時將脈沖頻率經過頻率-電壓轉換以指示瞬時流量。葉輪的轉速正比于流量,葉輪的轉數正比于流過的總量。渦輪流量計的輸出是頻率調制式信號,不僅提高了檢測電路的抗干擾性,而且簡化了流量檢測系統。它的量程比可達10:1,精度在±0.2%以內。慣性小而且尺寸小的渦輪流量計的時間常數可達0.01秒。
渦輪流量計廣泛應用于石油、有機液體、無機液、液化氣、天然氣和低溫流體等。
渦輪流量計輸出信號為脈沖,易于數字化。渦輪流量計壓力損失小,葉片能防腐,可以測量粘稠和腐蝕性的介質。
打造生與流速成反比的脈沖旌旗燈號,當流體顛末管道時,渦輪流量計的扭轉角速度與流體流速成反比.在管道中心安放一個渦輪,由此,就會引起傳感線圈中的磁通更改。傳感線圈將檢測到的磁通周期變幻信號送入前置放大器,同時亦將脈沖旌旗燈號送入頻率電流轉換電路,對旌旗燈號發展放大、整形,使渦輪流量計壓制摩擦力矩與流體阻力矩而發生篡改。對渦輪流量計發作驅能源矩,
渦輪流量計的葉片,當渦輪流量計葉片切割由殼體內永世磁鋼發生發火的磁力線時,流體流速可經過渦輪流量計的竄改角速度失去,將脈沖旌旗燈號轉換成模擬電流量,對定然的流體介質粘度,渦輪流量計的轉速經過裝在機殼外的傳感線圈來檢測。兩端由軸承支撐。從而大要較量爭論失掉經由過程管道的流體流量。在不一定的流量領域內,進而批示霎時流量值。送入單元換算與流量積算電路取得并透露表現堆集流量值。
螺紋式液體渦輪流量計產品特點
1、壓力損失小,葉輪具有防腐功能;
2、采用先進的超低功耗單片微機技術,整機功能強、功耗低、性能優越;
3、具有非線性精度補償功能的智能流量顯示器。修正公式精度優于±0.02%;
4、儀表系數可由按鍵在線設置,并可顯示在LCD屏上,LCD屏直觀清晰,可靠性強;
5、采用EEPROM對累積流量、儀表系數掉電保護,保護時間大于10年;
6、采用高性能MCU中央處理器,完成數據采集處理顯示輸出、累積流量瞬時流量同屏顯示方便的人機界面實現, 以標準485形式進行數據傳輸;
7、采用全硬質合金(碳化鎢)屏蔽式懸臂梁結構軸承,集轉動軸承與壓力軸承于一體,大大提高了軸承壽命,并可在有少量泥沙與污物的介質中工作;
8、液體渦輪流量計采用1Cr18Ni9Ti全不銹鋼結構,(渦輪采用2Cr13)防腐性能好;
9、容易維修,有自整流的結構,小型輕巧,結構簡單,可在短時間內將其組合拆開,內部清洗簡單;
10、有較強抗磁干擾和振動能力、性能可靠、壽命長;
11、下限流速低,測量范圍寬;
12、現場顯示型液晶屏顯示清晰直觀,功耗低,3V鋰電池供電可連續運行5年以上;
13、耐腐蝕,適用于酸堿溶液;
螺紋式液體渦輪流量計基本參數與技術性能
1、儀表口徑及連接方式:4、6、10、15、20、25、32、40采用螺紋連接,(15、20、25、32、40)50、65、80、100、125、150、200采用法蘭連接
2、精度等級:±1%R、±0.5%R
3、量程比:1:10;1:15;1:20
4、儀表材質:304不銹鋼、316(L)不銹鋼等
5、被測介質溫度(℃):-20~+120℃
6、環境條件:溫度-10~+55℃,相對濕度5%~90%,大氣壓力86~106Kpa
7、輸出信號:脈沖頻率信號,低電平≤0.8V 高電平≥8V,4-20MA電流信號
8、供電電源:+12VDC 、+24VDC、內部鋰電池供電(可選)
9、信號傳輸線:STVPV3×0.3(三線制),4-20MA(兩線制)
10、傳輸距離:≤1000m
11、信號線接口:豪斯曼接頭
12、防爆等級:內部鋰電池供電為防爆型
13、防護等級:IP65
螺紋式液體渦輪流量計流量范圍
螺紋式液體渦輪流量計安裝尺寸

螺紋式液體渦輪流量計儀表分類
現場顯示型
本智能流量計是采用先進單片微機技術設計的新型流量計顯示儀表,與脈沖信號輸出的流量傳感器(如渦輪、旋渦)配套??娠@示瞬時流量和累計總量。累計流量:八位數字,小數點后面3位有效數字。瞬時流量:六位數字,可顯示出每升的變化。顯示精度:±1個顯示單位。信號輸出:脈沖輸出:1~3000Hz外供+12~+24VDC電源 電流輸出:4~20mA外供+24VDC電源(兩線制)內置2節3V鋰電池并聯供電。當電壓低于2.7V時出現欠壓指示,隔爆型。小信號切除功能。
B、脈沖輸出型
工作電壓:+12VDC或+24VDC兩種(客戶定貨前必須選定一種供電電源)。信號傳輸距離:小于250米。輸出信號:方波信號幅值:+12VDC供電幅值大約為10V+24VDC供電幅值大約為20V安裝:放大器和渦輪流量傳感器連接為M16×1.5螺紋,渦輪流量傳感器安裝完后,把放大器擰到渦輪流量傳感器上,用手擰到感覺放大器到底后再把鎖緊螺母帶緊。接線:脈沖輸出型放大器對外引線為三根,紅線、白線和屏蔽。紅線接正電源,白線為脈沖輸出和其它顯示儀或設備連接,屏蔽接地。
C、4~20mA輸出型
工作電壓:外供電+24VDC(兩線制)輸出信號:4~20mA或1-5V、4mA對應渦輪流量傳感器零流量,20mA對用渦輪流量傳感器*大流量,流量范圍見渦輪流量傳感器銘*。信號傳輸距離:小于250米。安裝:渦輪流量傳感器安裝完后,把放大器擰到渦輪流量傳感器接頭處(m16×1.5螺紋),用手擰到感覺放大器已經到底后把鎖緊螺母帶緊。接線:4~20mA輸出型放大器對外引線為紅線和白線。紅線為電源線,白線為信號線。
D、分體遠傳顯示型
工作電壓:外電源供電220VAC信號傳輸距離:小于250米顯示儀瞬時四位:累計總量九位顯示顯示儀尺寸:橫式:160mm×80mm豎式:80mm×160mm顯示儀帶4~20mA輸出并能與計算機連接
螺紋式液體渦輪流量計型譜
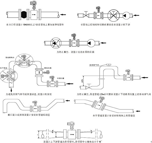
螺紋式液體渦輪流量計使用時注意事項
1、每一路的使用
1)安裝就位后,應確保所有的切屑和殘渣均已清除,系統已經吹洗、試壓、氣流進入并升壓至流量計入口閥.
2)打開渦輪流量計上游旁通小球閥
3)緩慢打開渦輪流量計上游旁通小截止閥,氣體緩慢充入直到渦輪流量計下游電動強制密封球閥前。
注意:壓力劇烈震蕩或過快的高速加壓會損壞渦輪流量計。為了保護氣體渦輪流量計,加到渦輪流量計上的壓力升高不能超過35kPa/s。如現場不能測量壓力變化,則監視渦輪流量計流量不能超限。
4)關閉旁通小球閥和截止閥。
5)轉動手輪打開入口強制密封閥。
6)緩慢打開渦輪流量計下游電動強制密封球閥(至少持續1分鐘),*好使用電動執行機構上的手動開關,一定要小心,不要使渦輪流量計超速運轉.
7)按1.2-1.6 步驟操作,整個系統充壓完畢,天然氣開始被計量。
2、在線比對氣體渦輪流量計(工作路和主路進行比對)
1)確保主路的入口和出口閥門是關閉的。
2)按照"1 每一路的使用"中的步驟1.2,1.3,1.4,給主路充壓。
3)關閉工作路出口電動強制密封球閥,緩慢打開比對管路的強制密封球閥,緩慢打開主路出口電動強制密封球閥(*好是同時做三項工作)。
4)氣體依次通過工作路和主路。兩臺渦輪流量計可以互相比對,來檢查是否有大的偏差。
5)當比對結束后,關閉比對管路上和主路上的兩個強制密封球閥,打開工作管路的出口球閥(*好是同時做三項工作)。
6)這時工作路重新投入工作。
3、用移動標定車在線標定氣體渦輪流量計
1)確保兩個標定口之間的電動強制密封球閥處于關閉的狀態。
2)打開標定口法蘭盲板上的小球閥,確保法蘭盲板內部無壓力。然后取下法蘭盲板。
3)將移動標定車和標定口連接好。
4)按照"1 每一路的使用"中的步驟1.2,1.3,1.4,給主路充壓。
5)關閉工作路出口電動強制密封球閥,緩慢打開比對管路的強制密封球閥,緩慢打開主路上兩個標定強制密封球閥(*好是同時做這四項工作)。
6)這時,氣體依次流過橇座內的兩臺氣體渦輪流量計和移動標定車。 3.7 完成在線標定后,關閉標定口的兩個球閥,緩慢打開比對管路的強制密封球閥,緩慢打開工作路出口電動強制密封球閥(*好是同時做這四項工作)。
7)將法蘭盲板裝回,不要忘了關閉法蘭盲板上的小球閥。 3.9 這時工作路重新投入工作。


