磁翻板液位計系統構成及接線
點擊次數:3824 發布時間:2021-03-25 09:21:38
磁翻板液位計系統構成及接線
1、上下限開關輸出
由具有自保持作用的舌簧開關和轉換器組成,舌簧開關和轉換器分別安裝于現場和控制室,由轉換器提供三對觸點開關。
2、電遠傳
由測量單元和變送單元兩部分組成。
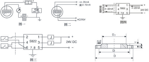
3、本安防爆
a 帶本安防爆,上、下限開關輸出型
防爆開關由舌簧開關和帶繼電器觸點的安全柵組成,可向用戶直接提供一對常開或常閉觸點。如用戶需更多觸點可特殊設計訂貨。(圖三)
b 帶本安防爆遠傳型
適合使用于∏類電氣設備(工廠用)、C級氣體,*高表面溫度組別T4(135℃)。(圖四)
c 磁翻板液位計使用注意事項
①變送器外殼設有外接地,用戶使用時必須可靠接地。
②安全柵的使用應遵守有關使用說明內容。
③變送器與安全柵本安端的連接電纜為二芯屏蔽電纜,芯線截面積>0.5m,電纜允許分布電容為0.8μF。


上一篇:玻璃管液位計的安裝使用注意事項


